
產品與解決方案/PRODUCT AND SOLUTIONS
少用電 用好電 再生電 存儲電 防爆電
產品系列

高壓四象限變頻器
九游娱乐官方网站電子科技股份有限公司是國內較早的從事提升機(四象限或者能量回饋型)變頻器研究的專業廠家。九游娱乐官方网站高壓四象限(提升機)變頻器采用先進的矢量控制技術,同時,可以根據現場情況采用無旋轉編碼器的矢量控制,矢量控制與傳統的V/F控制最主要的區別是矢量控制可以把把無功電流與有功電流(轉矩電流)區分開來,在提升過程中可以根據負載的變化自動調整有功電流使輸出力矩達到較佳工作狀態,可以輸出額定轉矩的2.5倍。
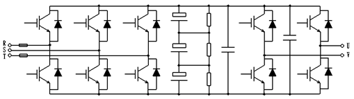
1、四象限變頻器可進行能量回饋,其功率單元的電路結構如下圖所示。整流側和逆變側均采用IGBT功率器件,控制方法采用SVPWM技術。

2、當電機處于拖動狀態時,能量從電網經整流回路、逆變回路流向電機,變頻器工作在第一、第三象限。輸入電壓和電流波形如下圖所示。

3、當電機處于發電狀態時,電機產生的能量通過逆變側的二極管回饋到母線電壓,當直流母線電壓超過一定的值,整流側能量回饋控制部分啟動,將直流逆變成交流,通過控制逆變電壓相位和幅值將能量回饋到電網。變頻器工作在第二、四象限。輸入電壓和電流波形如下圖所示。

4、針對提升機與電控的運行工藝,具備提升機專用功能,完善的功能接口,如上提、下放、閘信號、多段速、安全連鎖等。同時具備頻率上下限設定、轉矩提升等功能;
