
產品與解決方案/PRODUCT AND SOLUTIONS
少用電 用好電 再生電 存儲電 防爆電
解決方案
高壓變頻器在內蒙古煤礦提升絞車上的應用
在礦井的各動力設備中,提升機系統是較為重要、耗能較大的設備。提升機運行的可靠性直接影響礦井的產能和人員、設備升降井速度,直接關系到礦井的安全生產水平;同時提升機的調速方式也是對噸煤電耗水平影響較大的因素。
長期以來,礦用提升機普遍使用繞線式異步電機轉子串電阻的方法進行調速控制。該方法成本較低,但轉矩脈動大,電機電流大,能耗高,且轉子串電阻調速控制電路復雜,接觸器、電阻器、繞線電機電刷等容易損壞,影響企業安全生產水平。隨著電力電子與電機控制技術的發展,采用變頻調速的方法可以從根本上解決上述問題。
2 普通高壓變頻器與風光高壓提升機變頻器的差異
2.1普通高壓變頻器
通用變頻器大都為電壓型交-直-交變頻器,三相交流電首先通過二極管不控整流橋得到脈動直流電,再經電解電容濾波穩壓,最后經逆變輸出電壓、頻率可調的交流電給電動機供電。但是通用變頻器不能直接用于需要快速起、制動和頻繁正、反轉的調速系統,如高速電梯、礦用提升機、軋鋼機、大型龍門刨床、卷繞機構張力系統及機床主軸驅動系統等。因為這種系統要求電機四象限運行,當電機減速、制動或者帶位能性負載重物下放時,電機處于再生發電狀態。由于二極管不控整流器能量傳輸不可逆,產生的再生電能傳輸到直流側濾波電容上,產生泵升電壓。而以IGBT為代表的全控型器件耐壓較低,過高的泵升電壓有可能損壞開關器件、電解電容,甚至會破壞電機的絕緣,從而威脅系統安全工作,這就限制了通用變頻器的應用范圍。
2.2風光高壓提升機變頻器
為解決電動機處于再生發電狀態產生的再生能量,國內在中小容量系統中大都采用能耗制動方式,即通過內置或外加制動電阻的方法將電能消耗在大功率電阻器中,實現電機的四象限運行,該方法雖然簡單,但缺點是顯而易見的: (1)浪費能量,降低了系統的效率;(2)電阻發熱嚴重,影響系統的其他部分正常工作;(3)簡單的能耗制動有時不能及時抑制快速制動產生的泵升電壓,限制了制動性能的提高。
為了實現電機的四象限運行,并克服傳統制動方法的并聯電阻消耗能量造成的浪費,九游娱乐官方网站率先研制了提升機變頻調速系統,在變頻器整流電路中采用自關斷器件進行PWM控制,使能量雙向流動,使電機四象限運行;使電機很快達到速度要求,動態響應快。
風光JD-BP37-T系列高性能高壓變頻調速產品,以高速DSP(TMS320F2812)為控制核心,結合矢量控制技術,融合了能量回饋技術,以及IGBT大電流驅動技術,是新一代高性能較少諧波高壓變頻調速產品的典型代表。矢量控制功能使得異步電機啟動轉矩大,動態轉矩響應好,調速精度高。能量回饋技術的應用,使得功率單元串聯型高壓變頻器具備了四象限運行能力,能量可以在電網和電機之間雙向流動。矢量控制技術原理如圖1所示。

圖1 矢量控制技術原理框圖
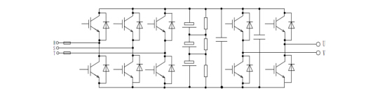
高壓提升機變頻器功率單元原理如圖2所示,高壓提升機變頻器能夠進行能量回饋,功率單元硬件上相對普通高壓變頻器將輸入整流二極管更換為IGBT,控制上采用雙PWM整流,實現了能量雙向流動。

圖2 高壓提升機變頻器功率單元原理框圖
風光高壓提升機變頻器在工作中具有以下特點:
①當電機處于拖動狀態時,能量由交流電網經整流器中間濾波電容充電,逆變器在PWM控制下將能量傳送到電機。
②當電機進入發電狀態,其再生能量經逆變器的續流二極管向中間濾波電容充電,使中間直流電壓升高,此時在PWM控制下將能量回饋到交流電網,完成能量的雙向流動。
由于PWM整流器閉環控制作用,使電網電流與電壓同頻同相位,提高了系統的功率因數,消除了網側諧波污染。其優點是制動力矩大,調速范圍寬,動態性能好。
風光高壓提升機變頻器回饋電流和電網電壓波形如圖3所示。能量傳遞過程如圖4所示。

圖3 回饋電流和電網電壓波形
圖4 能量傳遞過程示意圖
風光高壓提升機變頻器除具有普通高壓變頻器的功能外,還針對絞車控制,具有以下突出特點:
(1)電源輸入勵磁涌流限制技術:該技術使得系統在每次上高壓電時的沖擊電流小,對電網的沖擊也很小。
(2)系統斷電自動保護技術:確保任何情況下系統都能安全運行。如果沒有:提升機重載下放過程中,遇到系統停電時,會造成單元損壞甚至整個系統癱瘓。
(3)變頻裝置為直接高-高結構,直接6kV/10kV輸入,直接6kV/10kV輸出,可以直接安裝使用,不需要對系統進行任何改造。
(4)功率單元自動旁路技術:在提升機運行過程中,意外出現一個或幾個功率單元故障時,系統可以自動將故障單元旁路,系統進入星點偏移控制,保持輸出的線電壓平衡,同時保持最大輸出轉矩、電壓,完成本次提升任務。
(5)獨立的控制電源技術:系統在不上高壓電的情況下可以檢測系統各個關鍵點的波形和調試、培訓等,方便用戶自行檢修和維護。
(6)空載低損耗控制技術: 變頻系統在待機狀態下,空載損耗小,經實測比通用技術產品要低2~3倍。
(7)采用矢量控制技術,電機可四象限運行,具有不施閘懸停和力矩預置技術。
(8)承諾可以現場進行試驗:1~2個單元故障可以旁路,完成一個提升循環。提升機滿載、全速提升和下放電源停電試驗,確保變頻器不損壞。
(9)風光變頻器單元內電解電容因采取了本公司的專利技術(專利號ZL 2003 2 017356.2),可以將其使用壽命提高一倍。
(10)提升機變頻器具有回饋制動、直流制動、安全制動和動力制動等多項制動方式,保證了絞車可靠運行。
(11)具有完備的與電控系統對接的各個接口,實現與電控系統無縫連接。
3風光高壓提升機變頻器品質保證措施
為提高可靠性,風光高壓提升機變頻器采取了以下措施:
3.1設計及工藝保證措施
(1)冗余技術
這包括器件冗余(電壓冗余、電流冗余等)、電路冗余、單元冗余等等。
(2)改進吸收電路設計,減小IGBT的電壓、電流應力。
(3)低溫升設計
功率器件、電解電容使用壽命和工作溫度密切相關,一般給出80℃時的工作壽命,溫度每升高10℃壽命約降低一半,每下降10℃壽命增加一倍。盡可能地降低整機溫升,將會大幅度提高整機可靠性。
(4)抗干擾設計
要保證整機高可靠性運行,應最大限度的提高整機抗干擾性能,主要從以下幾方面著手:結構設計(屏蔽、接地隔離等措施)、工藝設計(排板、布線等盡可能合理)、電源設計(控制電源應良好凈化,避免從電源引入干擾)、電路設計、軟件設計、制造工藝等等。
(5)高溫老化試驗、步入式高低溫交變濕熱試驗、電磁兼容試驗等試驗手段齊全,可通過此試驗可檢杳出不良品或不良件,充分提高生產效率和產品品質。
3.2實驗手段保證
九游娱乐官方网站電子公司高壓提升機試驗系統是目前國內同行業設計較先進、實驗能力較強大的提升機產品試驗平臺。實驗平臺由國家配變電實驗中心——天津電氣傳動研究所設計。該實驗系統能夠滿足提升機變頻器的各種實驗要求,真實模擬絞車提升機現場各種工況,是風光高壓提升機變頻器品質的有力保證。
每臺風光高壓提升機變頻出廠前除與普通高壓變頻進行正常的檢驗、實驗等外,還單獨進真實的現場模擬試驗,真正做到四象限運行。在真實的現場模擬試驗中,主要試驗的項目有低頻帶載提升、起動時的直流制動、外部故障時的急停、單元故障時的星點偏移、高速下放時的回饋制動、與電控接口的邏輯等各項試驗。
4用戶情況介紹
內蒙古某煤礦,是一座年設計生產能力為1500萬噸的現代化煤炭企業集團,礦井設計采用立井開拓方式,布置兩個大采高綜采工作面,被列為國家煤炭工業“十二五”規劃開工建設的項目。該礦副井提升電控系統采用交流繞線式電機轉子串電阻調速,轉子串電阻調速屬有級調速,調速范圍受限,調速精度低,在減速時和下放重物時,浪費了大量的電能。具體來說有以下缺點:
(1)大量的電能消耗在轉差電阻上,造成了嚴重的能源浪費。
(2)控制系統復雜,導致系統的故障率高,接觸器、電阻器、繞線電機碳刷容易損壞,維護工作量很大,直接影響了生產效率。
(3)低速和爬行階段需要依靠制動閘皮摩擦滾筒實現速度控制,特別是在負載發生變化時,很難實現減速控制,導致調速不連續、速度控制性能較差。
(4)啟動和換檔沖擊電流大,造成了很大的機械沖擊,導致電機的使用壽命大大降低,而且極容易出現“掉道”現象。
(5)自動化程度不高,增加了開采成本,影響了產量。
(6)低速段的啟動力矩小,機械特性比較軟,帶負載能力差,無法實現恒轉矩提升。
礦領導經過研究,決定改造副井提升機加裝變頻器,同時保留原控制系統,使兩套系統互為備用,增加系統運行的可靠性。變頻器選用的是九游娱乐官方网站電子科技股份有限公司生產的JD-BP37-1400T(1400kW/6kV)高壓提升機變頻器,改造取得了成功。
提升機參數如表1、拖動電機參數表2所示。
礦機提升機參數如表1所示。 拖動電機參數如表2所示。 

風光高壓提升機變頻器具體參數如表3所示。 
5改造主回路方案
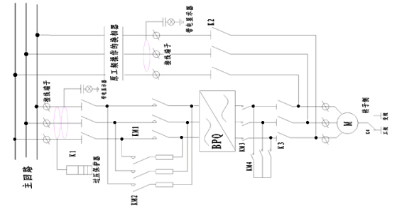
為了確保安全可靠,讓變頻調速系統與原調速系統并存,互為備用,隨時可以切換。改造系統控制思路如圖5所示。

圖5 工、變頻系統切換控制
高壓提升機變頻器是整個改造系統的一個核心部分,它具有與電控系統相適配的各種接口。配合自動控制的操作臺運行時,電控臺向變頻器發出“正轉運行”、“反轉運行”和“變頻急?!比烽_關量信號,以及一路4~20mA“給定轉速”信號。變頻器向電控臺發出“變頻器待機”、“變頻器故障”和“安全回路”三路開關量信號,以及用于顯示的模擬量輸出信號。電控臺控制高壓斷路器分、合閘,分別連入相應的控制回路中。絞車上安裝的軸編碼器向電控臺發出電機轉速及絞車位置信號。電控臺接受絞車司機的操作指令。
整個提升機系統中設有深度指示失效、限速、過卷、反轉、制動油過壓、閘瓦磨損、松繩、速度監視、制動油超溫、潤滑油超壓欠壓、變頻器的輕重故障等保護功能。系統能根據故障性質做出響應,必要時實施緊急制動,確保設備及人員的安全。主回路改造原理如圖6所示:

圖6 主回路改造圖
圖6中K1、K2、K3為三臺高壓隔離開關,為了確保不向變頻器輸出端反送電,K1、K3與K2采用電磁互鎖操動機構,實現電磁和機械互鎖。K4為轉子側雙擲開關,變頻運行時,K4切換到變頻側,繞線電機轉子線圈經雙擲開關K4后處于短接狀態;工頻運行時,K4切換到工頻側,繞線電機轉子線圈經K4接至原調速電阻裝置。當K1、K3閉合,K2斷開,K4切換到變頻側,電機變頻運行;當K1、K3斷開,K2閉合,K4切換到工頻側,電機工頻運行,此時變頻器從高壓中隔離出來,便于檢修、維護和調試。另外,為了保證安全,變頻器高壓連跳信號和上一級的高壓斷路器也實現互鎖,變頻器高壓連跳串入上一級高壓斷路器的脫扣線圈,變頻器出現故障時,上一級的高壓斷路器斷開,實現高壓故障連跳功能。
6現場變頻調試運行情況
2015年8月,高壓提升機變頻器安裝就位后,開始安裝、調試變頻器。根據現場工況情況,把變頻器工作方式設置為無旋轉編碼器矢量控制工作方式,同時把電動機的工作參數進行設置,然后帶空電動機進行運行,查看變頻器的工作情況與理論工作曲線進行比較后再次調整電機設置參數,使實際運行曲線與理論曲線達到一致,最后帶滾筒對參數進行微調。
為了驗證變頻器的帶載能力,提升機罐籠裝滿沙石料(超過額定負載量),變頻器運行在1.5Hz,輸入電流在18.5A,輸出電流達到206A(電動機額定電流143A),罐籠緩慢的提升,運行平穩;為了驗證下放回饋能力,現場把正常工作使用的傘鉆作為重物進行試驗(傘鉆重量為13噸),下放運行頻率1.5Hz,輸出電流100A,輸入電流12A,變頻器回饋工作正常。變頻改造后,實現了提升機加減速過程的平穩控制,運行過程纜繩擺幅明顯減小,人員升降舒適性明顯提高,電動機啟動電流與啟動時振動顯著降低;省去了轉子串電阻造成的能耗,具有十分明顯的節能效果。經過實測,變頻改造后,在提升產量相同的情況下,變頻運行時比工頻節能20%以上。
7結束語
風光高壓提升機變頻器在煤礦提升機轉子串電阻電控系統改造中,不僅提高了提升系統的安全性和可靠性,而且大大減低了維護費用,節能效果明顯,實現了高轉矩、高精度、寬調速范圍驅動,是交流提升機電控系統發展的方向,應用前景廣闊。