
產品與解決方案/PRODUCT AND SOLUTIONS
少用電 用好電 再生電 存儲電 防爆電
解決方案
高壓變頻器在冶金石化行業中的應用
1. 引言
隨著我國經濟的快速發展,國內各類能源消耗逐漸增大,限于不可再生能源的限制,使國內各類能源供應緊張。而且我國能源浪費還比較嚴重,如何有效利用能源已經被國家擺在重要的戰略位置。據業內專業人士估計,中國發電總量的60%以上消耗在電動機上。而中國目前電動機總裝機容量已超過4億千瓦,高壓電機約占一半左右,高壓電動機中近70%拖動的負載是風機、泵類、壓縮機,其中一半適合調速,即有約7500萬kW的高壓電機處在浪費能源的運行狀態。從目前高壓變頻器的一般使用情況來看,平均節電可達30%,在技術改造項目中,高壓變頻器的投入和使用,其節能效果是顯而易見的。在新建項目中,高壓變頻器在風機、水泵類的應用也已經深入到鋼鐵、石油、化工各個行業,節能效果已經為大家所共識,是經濟可持續發展的必然趨勢。
2. 風光高壓變頻器的技術特點
山東九游娱乐官方网站電子科技發展有限公司研制生產變頻器已有十幾年的經驗, 高壓變頻器技術已經相當成熟,并在各行各業得到廣泛的應用。風光高壓變頻器以西門子新型IGBT作為主功率器件,采用高性能數字信號處理器DSP進行控制,精心設計的算法可以保證電機達到較優的運行性能。彩色液晶觸摸屏實時監控系統運行狀態,以高可靠性、易操作、高性能作為設計目標的風光高壓變頻調速器在激烈的市場競爭中得到用戶的認可。我公司有能力有信心為客戶量身訂做高質量的高壓變頻調速系統。
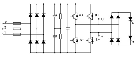
風光高壓變頻調速系統采用功率單元串聯的結構方式,可靠性高。功率單元采用標準模塊化設計,每個單元完全一樣可以互換,安裝維護簡單方便。并且每個單元都有旁路功能,當某個單元出現故障時,控制電路控制可控硅將故障單元的輸出短接,這樣變頻器仍能正常運行。

單元主電路圖
它的輸入側采用干式移相變壓器,可以實現36脈沖的整流方式,完全滿足國家對電網諧波的較嚴格的要求。在帶負載時,電網側功率因數可達到0.95以上。在輸出側采用載波移相技術可以得到良好的正弦輸出波形,輸出dv/dt小,對電機及電纜的絕緣沒有任何損害。利用三次諧波補償技術提高了電源電壓利用率,滿足了異步電機對調速性能的需要??刂葡到y與功率單元采用光纖通信技術,有效解決了電磁干擾問題,并且實現了高壓部分與控制系統之間的隔離,提高了整機的安全性和可靠性。

相電壓輸出波形
另外控制系統有一套獨立于高壓電源的供電體系,在不加高壓的情況下,市電經過UPS輸出一穩定的交流電,然后通過整流、濾波、穩壓得到一個穩定的直流電壓,由一個高頻振蕩器得到幅度穩定的高頻電源,再由一系列高頻變壓器及相應的整流、濾波送到各單元的控制及驅動電路。實際上是開關電源技術的另類應用??刂葡到y電源獨立,通過高頻變壓器給各單元控制電路、驅動電路供電,容易實現高低壓電路之間及驅動電路之間的隔離。而且可以在不加高壓電、不加載的情況下,可以對整機進行調試,此時各點波形與主電路加電、加載時完全一樣,只是輸出電壓幅度小。這對設備調試、檢修和操作人員的培訓十分方便。

系統控制電源框圖
變頻器的用戶操作監控系統界面十分友好和完善,采用彩色液晶觸摸屏進行監控??蓪ψ冾l器進行全部操作,包括參數設定、功能設定、運行操作、運行數據打印、故障查詢等等。
3. 風光高壓變頻調速器在現場得到了很好的應用
我公司的高壓變頻器在鋼鐵冶金石化行業應用已相當廣泛,如通鋼、包鋼、阿鋼、萊鋼、濟鋼、鞍鋼、冶鋼、遼河油田、勝利油田、大慶油田、齊魯石化、巨化集團等大的工廠企業已廣泛應用,下面介紹幾個典型應用。
3.1 典型應用一 遼河油田6000V/1800KW注水泵的變頻改造 (石油行業泵)
遼河新三聯注水站投運一臺型號為 DFJ200-170AX11 的注水泵,匹配電機型號為 YB1800S2-2 的 6KV/1800KW 異步電動機,采用直接驅動方式控制,離心泵流量是通過控制出口閥門的開度進行調節,造成大量節流損失 , 離心泵及電動機運行在低效率工作區,能源浪費比較嚴重。夏秋季節注水量相應降低,運行中離心泵實際泵壓為 16.5MPa ,注水管網實際運行壓力為 12.5MPa ,由于多泵注水實施并網運行,當注水管網壓力升高到目前注水管網實際注水壓力以上時,將造成高壓注水量減少,無法滿足油井注水需求,同時污水量大于注水量將造成污水外排。為此注水電機運行時必須靠調節離心泵出口高壓回流閥門來控制注水管網壓力,以維持聯網注水平衡。這樣就造成泵壓與管網干壓平均壓差達到 4 MPa 以上,造成了大量的電能浪費。
廠家經過綜合調研和考慮,選用了山東九游娱乐官方网站電子公司 JD-BP37-1800F 型號的高壓變頻器,通過應用,該變頻器可靠性高,設計合理,變頻調速器對電機具有軟啟動功能,啟動時無沖擊電流,減少了對電網的污染;安裝、維護和保養都比較方便,降低了值班人員的工作強度;降耗效果明顯。 現場的系統構成如圖1所示。

圖1 注水泵系統結構圖
本系統中,一方面在泵出口管線上安裝一只高可靠性壓力傳感器,將實測的壓力信號與系統的配注壓力(期望值)相比,并將其差值送往過程參數調節器( PID )進行比例和積分運算,最后將輸出結果送給可編程控制器( PLC );另一方面在泵入口管線上安裝一只流量計,用于監測系統實際總流量,將該值與系統配注量的差值再進行一次 PID 整定,最后將輸出結果送給 PLC 。 PLC 根據所接收的兩個 PID 整定信號,利用模糊推理的方法,在滿足系統干壓的前提下,系統及時自動調整高壓變頻器的輸出頻率從而控制變頻泵的轉速。由離心泵原理知,泵轉速的變化可引起相應的排量變化,通過頻率的變化以達到期望的排量值。通過上述閉環控制,使系統的實際壓力和排量與系統的配注壓力和配注量相接近。系統設計為閉環控制系統,流量和壓力為系統的兩個主要參數,將系統實測的流量和壓力信號與地質要求的流量和壓力(期望值)進行雙 PID 調節;通過模糊推理的方法自動尋優控制,根據推理結果,系統及時自動調整高壓變頻器的輸出,并自動計算出變頻器的較佳運行頻率。
由流體力學可知,P(功率)=Q(流量)╳ H(壓力),流量Q與轉速N的一次方成正比,壓力H與轉速N的平方成正比,功率P與轉速N的立方成正比,如果水泵的效率一定,當要求調節流量下降時,轉速N可成比例的下降,而此時軸輸出功率P成立方關系下降。即水泵電機的耗電功率與轉速近似成立方比的關系。
實際節電效果使用變頻器前后的耗電情況統計見下表:

水泵電機安裝變頻器前后的注水單耗從6.79下降到5.38,不考慮其它方面的影響:
節電率=(安裝前耗電-安裝后耗電)/安裝前耗電*100﹪
=(1244246-698215)/1244246*100﹪
=43.88﹪
3.2典型應用二 浙江省衢州巨化硫酸廠冷卻水循環泵的變頻改造 (化工行業泵)
浙江省衢州巨化硫酸廠是我國首批自己設計、制造、安裝的重點硫酸生產企業,是浙江省較大的硫酸生產廠。在硫酸生產過程中,需要對水冷極板進行冷卻,冷卻水循環泵是硫酸生產工藝中的重要設備,過去冷卻水循環泵均不調速,利用出口閥門來控制水流量和管網壓力,由于設備的選擇都是按最大負荷情況來選型,在實際運行中設備留有較大的裕量,冷卻水的流量與壓力是通過冷卻水循環泵出、入口聯絡管上的調節閥來進行調節,造成電動機運行效率較低,造成電能浪費,為降低企業生產成本,廠家領導經過反復論證,多方比較,決定選用我公司JD-BP37-280F型高壓變頻器對冷卻水循環泵進行變頻調速節能改造,以解決能源浪費問題。用戶冷卻水循環泵的電動機參數為6KV/280KW異步電動機,額定轉速985r/min,水泵參數為500S-35 單級雙吸離心泵。冷卻水循環泵工作原理如圖2所示,三臺循環泵兩開一備。

圖2 冷卻水循環泵工作原理圖
變頻器控制3#循環泵,2#、1#循環泵一開一備?,F在以冷卻水母管壓力為給定量,根據工藝所需母管壓力調節循環泵轉速,壓力信號取自主管網,目標壓力值設定在0.24Mpa 。
電氣設備改造一次回路圖如圖3。

圖3 電器設備一次回路圖
設備改造工程于2005年1月完成,高壓變頻器一次試車成功,運行正常,頻率運行在40Hz左右,保證了循環水的正常溫度。其節電相關數據為:
工頻運行數據為:
5月27日14:30 運行頻率50Hz 輸入電流23.8A 輸入電壓6KV
5月27日21:35 運行頻率50Hz 輸入電流26.4A 輸入電壓6KV
5月28日08:00 運行頻率50Hz 輸入電流25.2A 輸入電壓6KV
5月28日21:00 運行頻率50Hz 輸入電流24.8A 輸入電壓6KV
5月29日06:25 運行頻率50Hz 輸入電流24.1A 輸入電壓6KV
工頻平均運行電流24.86A , 功率因數COSΦ1 =0.85
變頻運行數據為:
5月27日11:00 運行頻率41:55Hz 輸入電流13.0A 輸入電壓6KV
5月27日12:00 運行頻率41:55Hz 輸入電流13.1A 輸入電壓6KV
5月27日13:00 運行頻率41:55Hz 輸入電流13.0A 輸入電壓6KV
5月27日14:00 運行頻率41:55Hz 輸入電流13.2A 輸入電壓6KV
變頻平均運行電流為13.07A , 功率因數為COSΦ2 =0.98
每年節省用電:(I×COSΦ1-I×COSΦ2 )×Ua×1.732×24小時×350天=71.8萬度
每年節省用電費用:每年節省用電×0.5元/度=35.9萬元
變頻運行時節電率達到40%。設備運行時頻率達到35Hz,就可以達到工藝要求的出水壓力,春冬秋三個季節設備完全可以在35Hz運行,節電率可達到50%左右,按目前41Hz運行計算,每年可以節電71萬度,節省電費35.9萬元。
3.3典型應用三 通化鋼鐵集團高爐除塵風機的變頻應用
通化鋼鐵集團有限責任公司是吉林省省屬最大的國有工業企業和唯一的大型鋼鐵聯合企業集團。隨著市場競爭的加劇,為提高產品市場占有率、競爭力,通化鋼鐵集團深化改革,加快一批項目建設,其中 6#750立方米高爐為新建項目之一。6#高爐吸取了以前舊高爐經驗的基礎上,在建設中采用了大量先進的生產工藝。高爐除塵風機的變頻控制就是先進工藝的典型應用。以前舊高爐除塵風機一般是工頻運行或液力偶合器控制,浪費了大量的能源。經過多方考察,比較性價比,通化鋼鐵集團決定選用山東九游娱乐官方网站電子科技發展有限公司生產的JD-BP38-800F(800KW/10KV)型高壓變頻器,通過雙方技術人員的合作,共同制定了6#高爐除塵風機的變頻控制方案。
高爐生產為周期性間斷出鐵,高爐在出鐵時,產生大量棕紅色煙塵,此時要求風機高速運行;在不出鐵時,產生煙塵相對較少,只需要很低的轉速。利用變頻器根據高爐實際需要對除塵風機進行變頻調速控制,既保證和改善了工藝,又達到了節能降耗的目的。出鐵時,變頻器高速運行,高速定為45HZ(可調);不出鐵時,變頻器低速運行,低速定為20Hz(可調)。用戶的風機型號為 Y4-73,電機型號為 Y 560-3-8 。高爐除塵風機工藝要求曲線如圖4。

圖4 高爐除塵風機工藝要求曲線
a~b為風機升速時間大約1分鐘(可調);
b~c為高爐出鐵時間大約20分鐘;
c~d為風機減速時間大約2分鐘(可調);
d~e為風機低速運行階段。
該系統生產周期大約為 1小時,出鐵時間為20分鐘,間隔約40分鐘,系統配置電機額定電流為 59.5A ,根據其它生產線的實際運行情況電機運行電流在 55A左右。高爐出鐵變頻高速運行45Hz時,電流為 45A 左右,在 20Hz低速運行時,電流為15A左右。(一天中風機高速運行時間占40%,無停機時間)
P 變 =1.732×10×(45×0.98×40%+15×0.98×60%)=458KW
P 工 =1 . 732 × 10 × 55 × 0 . 86=819KW
節電率 = ( P 工 -P 變 ) / P 工 =44%
與原來舊系統相比較,變頻器具有過流、短路、過壓、欠壓、缺相、溫升保護等多項保護功能,對電機的保護更加完善。改造后的調速系統隨著高爐生產除塵的需要 ,調節風機的轉速,進而調節風機的風量,滿足高爐生產工藝的需要,工作強度大大降低。
4.高壓變頻器應用前景
我國基于IGBT的功率單元串聯式多電平高壓變頻調速技術的研究是與世界同步進行的。隨著我國工業的快速發展,變頻器的使用越來越廣泛。風光高壓變頻調速器經過多年的現場應用證明,高壓變頻器用于風機、泵類設備驅動控制場合取得了顯著的節電效果,性能穩定可靠性高。既節約了能源,又滿足了生產工藝要求,并且因此而大大減少了設備維護、維修費用,直接和間接經濟效益十分明顯。