
產品與解決方案/PRODUCT AND SOLUTIONS
少用電 用好電 再生電 存儲電 防爆電
解決方案
5.8MW高壓變頻電源在水泵測試臺中的應用
1前言
浙江利歐股份有限公司為中國微小型水泵行業第一家上市公司,中國最大的微型小型水泵、碎枝機系列產品制造商和出口商。湖南利歐泵業有限公司是利歐股份投資設立的全資子公司和工業泵生產基地,總投資5億元,湖南利歐以大型立式斜流泵、軸流泵、中開雙吸離心泵、多級離心泵、渣漿泵、脫硫泵、耐腐蝕化工泵及鋁業工藝流程泵為主導產品,產品線涵蓋二十多個產品系列、1000多個品種規格,廣泛應用于水利、排灌、石油化工、化肥、礦山、冶金、電站、造紙、環保等行業的介質輸送。公司按照ISO9001:2008質量管理體系的要求,配備了先進的檢測、試驗設備,建立了完善的產品質量管理體系。


圖1 廠容廠貌
2 水泵測試中心
湖南利歐泵業有限公司水泵測試中心,本著高起點、高科技、高水平的建設原則,建設亞洲最先進、國內最領先的水泵測試中心為目的。測試中心占地面積4169m2 ,水池容量13900m3(亞洲最大,全國第一),最大起重能力80T,軌高17.5m。測試中心擁有深13.5m濕坑測試臺、深7m長26m寬10m高氣蝕干坑測試臺以及3個低氣蝕測試臺,最大并聯管道當量直徑2.8m,最大測試流量118.000 m3/h,最高測試壓力12MPa。
測試中心動力供電采用工頻和變頻兩套運行系統,動力總配10kV、6kV、3kV、380V電源,工6個臺位同時進行水泵測試。變頻電源控制系統,可針對10kV/6kV/3kV/2300V/1140V不同電壓等級電機水泵進行6-72Hz變頻測試。
測試中心采用全自動上位機測控系統,布置88個現場探頭,可對整個測試中心全方位監控,采用高精度檢測儀器儀表、傳感器和計算機相結合自動測控、采集、處理、分析電力參數及流體參數,測試結果可自動進行顯示、打印制表、繪制特性曲線(變速、變徑、變角),系統不確定度分析。中央控制室與接待室數據可同步運行顯示。
測試中心可以直接對軸流泵、斜流泵、立式蝸殼泵、雙吸中開泵、多級泵、渣漿泵、懸臂泵等各種型式水泵進行實泵性能測試,可以真實地把握水泵的出廠性能以及水泵研發效果。

圖2 測試中心
3 風光高壓變頻電源性能參數
3.1基本參數
風光高壓變頻電源系統,以高可靠性、易操作、高性能為設計目標。高壓變頻電源系統采用新IGBT功率器件,全數字化微機控制,有關電源基本參數如表1所示。
表1 風光高壓變頻電源基本參數 | ||
序號 | 名 稱 | 參數 |
1 | 型式及型號 | 高-高方式JD-BP38-5800F |
2 | 技術方案 | 多電平串聯、電壓源型、高高方式 |
3 | 系統輸入電壓(kV) | 10 |
4 | 系統輸出電壓(kV) | 0~10kV/6kV/3kV/2300V/1140V |
5 | 系統輸出電流(A) | 400 |
6 | 額定容量(kVA) | 7300 |
7 | 額定輸入頻率/允許變化范圍 | 45-55Hz |
8 | 對電網電壓波動的敏感性 | +10%~-10%滿載輸出;降低35%以內降額連續運行;輸入電壓波動到額定電壓65%以下或突然停電在3秒內恢復可立即再啟動 |
9 | 變頻電源效率 | >96%(額定輸出時,含變壓器) |
10 | 輸入輸出電流諧波 | <3% |
11 | 輸入側功率因數 | >0.96(20%負載以上) |
12 | 控制方式 | 多級正弦PWM控制 |
13 | 整流形式 | 二極管全橋整流 |
14 | 逆變形式 | IGBT單相逆變 |
15 | 過載能力 | 120%1min,150%立即保護 |
16 | 模擬量信號(輸入)規格及數量 | 工業標準信號:4~20mA 1路 |
17 | 模擬量信號(輸出)規格及數量 | 工業標準信號:4~20mA 2路 |
18 | 防護等級 | IP31 |
19 | 操作鍵盤 | 人機界面 |
20 | 界面語言 | 簡體中文 |
3.2基本性能
3.2.1性能參數
變頻電源為高-高結構,不需輸出升壓變壓器,輸出為單元串聯移相式PWM方式。
輸出電壓等級通過設置變頻的輸出額定電壓、額定頻率等參數進行改變。
變頻裝置輸出波形不會引起電機的諧振,轉矩脈動小于0.1%。可避免水泵喘振現象。變頻電源有三組共振點頻率跳躍功能。
變頻裝置對輸出電纜無特殊要求,電機不會受到共模電壓和dv/dt的影響。
變頻系統具有故障定位及記錄功能。
變頻系統具有就地監控方式和遠方監控方式。
安裝、設定、調試簡便。
功率電路模塊化設計,維護簡單。
瞬時掉電再啟動功能,中性點漂移功能。
具有雙路控制電220VAC。
內置PLC,易于改變控制邏輯關系,適應多變的現場需要。
可接受和輸出4~20mA工業標準信號。
完整的變頻電源參數設定功能。
3.2.2保護功能
變頻電源具有以下基本保護功能:
(1)過電壓保護:檢測每個功率模塊的直流母線電壓,如果超過額定電壓的115%,則變頻電源保護;此保護實際上包括了對電網電壓正向波動的保護。
(2)過電流保護:電機額定電流的150%,立即保護。
(3)過載保護:電機額定電流的120%,每10分鐘允許1分鐘,超過則保護。
(4)過熱保護:在主要的發熱元件,即整流變壓器和電力電子功率器件上放置溫度檢測,一旦超過極限溫度(變壓器130℃、功率器件80℃),則保護。
3.3高壓變頻電源系統
高壓變頻電源系統采用直接“高-高”變換形式,為單元串聯多電平拓撲結構,主體結構由多個功率模塊串聯而成,從而由各組低壓疊加而產生需要的高壓輸出,它對電網諧波污染小,輸入諧波畸變小于3%,直接滿足IEEE519-1992的諧波抑制標準,輸入功率因數高,不必采用輸入諧波濾波器和功率因數補償裝置;輸出波形質量好,輸出電壓諧波畸變小于2%,不存在諧波引起的電機附加發熱和轉矩脈動、噪音、輸出dv/dt、共模電壓等問題,不必加輸出濾波器,就可以使用普通的異步電機。
3.3.1電源系統拓撲結構
變頻電源裝置0-10kV輸出,每個系統共有24個功率單元,每8個功率單元串連構成一相,其系統結構如圖3所示。

圖3變頻電源系統結構示意圖
3.3.2功率單元
每個功率單元分別由輸入變壓器的一組副邊供電,功率單元之間及變壓器二次繞組之間相互絕緣,二次繞組采用星形折邊接法,實現多重化,以達到降低輸入諧波電流的目的。每個功率單元結構上完全一致,可以互換,為基本的單相逆變電路,整流側為二極管三相全橋, IGBT逆變橋的控制方式為PWM控制,并且有自動單元旁路功能,大大提高系統運行的可靠性。
3.3.3功率柜
柜內主要對功率單元進行組合,通過每個單元的U、V輸出端子相互串接而成星型接法給電機供電,通過對每個單元的PWM波形進行重組,得到非常好的PWM波形,dv/dt小,可減少對電纜和電機的絕緣損壞,無須輸出濾波器就可以輸出電纜長度很長,電機不需要降額使用。
3.3.4控制柜
控制器采用32位高速DSP芯片,精確的算法保證電機達到最優的運行性能。彩色嵌入式人機界面提供友好的全中文監控和操作界面,同時可以實現遠程監控和網絡化控制。控制器包括一臺內置的PLC,用于柜體內開關信號的邏輯處理,以及與現場各種操作信號和狀態信號(包括DCS/RS485//Modbus)的協調,并且可以根據用戶的需要擴展控制開關量。控制器與功率單元之間采用光纖通訊技術,低壓部分和高壓部分完全可靠隔離,系統應具有極高的安全性,同時具有很好的抗電磁干擾性能。
3.3.5變壓器柜及風機
主要包括為功率單元供電的移相變壓器,輸入側的電壓、電流檢測器件,以及溫度檢測器件溫控器。變頻電源功率柜頂部和變壓器柜頂部所配冷卻風機。干式變壓器繞組底部也配有冷卻風機,由溫控儀檢測變壓器繞組溫度進行控制。
3.4變頻電源主回路
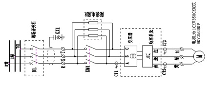
變頻電源主回路如圖4所示。變頻電源能任意拖動10kV/3500kW或6kV/3500kW電機,以及3kV/2300V/1140V等電壓等級電機水泵測試實驗。例如拖動10kV/3500kW,變頻電源參數的輸出額定電壓需設為10kV,過流保護值,輸入測試水泵電機銘牌參數。如需測試其他電壓等級的水泵電機,則只需按照設定為相應的輸出電壓等級,及相應參數即可。

圖4 高壓變頻電源主回路
3.5高壓變頻電源操作規程
首先要確定變頻電源拖動的水泵電機是6kV/3500kW還是10kV/3500kW,或者其他電壓等級的水泵電機。控制電送電后,除設置人機界面基本參數外,需另外設置變頻電源的輸出電壓、過流保護等參數,以及輸入電機銘牌數據后,方可送高壓電。
3.5.1變頻啟動
(1)送控制電
將控制柜內斷路器合上,按住UPS的開機按鈕兩秒鐘,聽到“滴”的一聲后, UPS啟動,人機界面啟動,自動進入監控程序。
(注:UPS開啟后8#指示燈閃爍,每隔2分鐘蜂鳴一次,則說明斷路器前的220VAC火線零線顛倒或市電異常;若10#指示燈閃爍則說明電池電壓異常或充電板或電池損壞,應檢查,絕對不允許在控制電未送上的時候送高壓電)
(2)送高壓電
操作原系統的開關柜,將高壓電送至變頻電源的進線柜,變壓器柜上的溫控儀顯示溫度時或進線柜上的高壓帶電顯示裝置指示燈閃爍時,表示高壓電已送,3秒鐘后,進線柜中接觸器KM1閉合 ,高壓電送電完畢,變頻電源處于就緒狀態,可以根據需要開機.
(3)變頻開機
開機方式有2種:本控和外控。
如果需要本地運行,請設置為本控狀態。然后按下柜門上的【開機】按鈕或人機界面上的【變頻啟動】按鈕,變頻電源啟動,根據需要在人機界面上頻率設定框中進行設定頻率。
若需多段速運行,則進行一、二、三段速頻率的設置,使變頻電源按設定的段速頻率拖動電機運行。
如果需要遠程運行,請設置為外控狀態。在遠控DCS室操作變頻啟動按鈕,變頻電源啟動。若選擇速度段給定,則根據實際需要,選擇相應的速度段,并設置相應的頻率值。使變頻電源按設定的頻率拖動電機運行。
注明:輸出頻率顯示,當變頻電源停機時顯示給定頻率的數值,開機運行后,顯示的是運行頻率的數值。
3.5.2變頻停止
正常停機:若選擇“本控”操作,按柜門上的【停機】或人機界面的【變頻停止】按鈕后,變頻電源開始按設定的下降時間進行停機,頻率降為0后,變頻電源處于待機狀態,可以根據需要再次開機。
選擇“外控”操作后選擇外控裝置的“停機”按鈕。停機過程同“本控”類似。
若是日常維護,則需斷電,先操作原系統切斷高壓,五分鐘后,將UPS關掉,方法是按住停機按鈕,即關閉UPS,然后將柜內斷路器撥下,這樣控制電斷掉。
3.5.3 緊急停止
若變頻電源有故障或其他緊急情況,操作急停按鈕斷開高壓電。(嚴禁高壓電未斷的時候,切斷變頻電源的控制電源。)
4 高壓變頻電源在水泵測試臺使用效果
該設備自投運以來,與以往類似系統相比,存在明顯的優勢。如圖5所示。高壓變頻電源測試6kV電機水泵的測試界面,高壓變頻電源視在功率1800kW,有功功率1577kW,輸入電壓10.43kV,輸出電壓5.95kV,輸入電流155.1A,輸出電流182.8A,輸出頻率49.60Hz,測試實驗非常方便。高壓變頻電源現場運行如圖6所示。
(1)山東九游娱乐官方网站電子科技發展有限公司生產的 JD-BP38-5800高壓變頻電源所有部分裝在配電柜內,不需要另外的電抗器、濾波器等設備裝置。體積小,結構緊湊,安裝簡單,現場配線少,調試周期短,投入生產快。
(2)高壓變頻電源的運行參數及各種指示在觸摸屏均有顯示。
(3)電源帶有標準通訊接口,上位機可以通過通訊完全集控變頻電源。
(4)變頻電源非常方便實現測試各種電機水泵測試需求,只需設定相應的參數即可,可任意拖動10KV/6KV/3kV/2300V/1140V等電壓等級,不超過400A電流,6-72Hz水泵完成測試各種實驗。
(5)具有與進口設備同樣的的測試效果,大大降低了水泵測試成本。