
產品與解決方案/PRODUCT AND SOLUTIONS
少用電 用好電 再生電 存儲電 防爆電
解決方案
九游娱乐官方网站高壓SVG在肯尼亞鐵路某鐵路變電所的應用
1 用戶現場工況情況
1.1變、配電所現場電源情況
(1)無功補償原則
肯尼亞鐵路某鐵路66/33kV變電所采用高壓集中無功補償裝置,箱式變電站采用低壓集中無功補償裝置,個別大負荷、低功率因數的用電設備設就地補償裝置。全線各變、配電所電源引入均由肯方負責。
(2)平面布置情況
66kV采用支持絕緣子調整導線高度。主變壓器采用室外低式布置。66kV配電裝置采用戶外組合式 GIS電氣設備,中型布置。33kV饋線采用電纜出線。所內設置運輸道路,便于大型設備的運輸。室外電氣設備區鋪設礫石,變電所對角線處設置避雷針,用于室外設備的直接雷保護。所區圍墻為實體圍墻,圍墻高度為2.5m,圍墻頂部安裝防盜刺絲滾籠設施。
(3)保護配置
66kV側采用集中組屏保護,33kV側采用分散組屏保護。主變壓器采用變壓器微機保護裝置,由差動保護、后備保護及測控組成,設有差動,非電量、復合電壓閉鎖66kV過電流高壓側后備保護,復合電壓閉鎖33kV過電流低壓側后備保護,并作用于事故信號和預告信號的保護功能。變電所33kV側饋線采用饋線微機綜合保護裝置,每個饋線單元設有電流速斷、過流、失壓保護功能和一次自動重合閘功能。
(4)變、配電高低壓設備選型
66kV部分采用室外型、組合電器方式,主變采用油浸式20MVA變壓器。33kV 高壓開關柜采用中置式金屬封閉空氣絕緣開關柜。直流電源裝置采用智能型高頻開關、閥控式鉛酸免維護蓄電池裝置。33/0.4kV變壓器選用低損耗油式變壓器。低壓柜采用抽出式模數化開關柜。
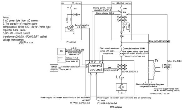
1.2一、二次回路圖
該變電所靠近肯尼亞馬賽馬拉國家保護區內,屬于熱帶草原氣候,高溫,明顯旱雨季,旱季炎熱干燥,塵土飛揚,雨季經常暴雨傾盆,遍地成河。對設備正常運行提出更高的要求。變電所主回路如圖1所示。

圖1 變電所主回路圖
變電所二次回路如圖2所示。

圖2 變電所二次回路
2九游娱乐官方网站FGSVG-3.0/35T-O高壓動態無功補償控制系統
該變電所選用了九游娱乐官方网站電子科技股份有限公司生產的FGSVG-3.0/35T-O(3.0 Mvar /35 kV)型高壓動態無功補償控制系統,用于變電所無功補償和治理閃變,設備一次成功投運,達到了預期目的。
2.1高壓動態無功補償控制系統技術優勢
高壓動態無功補償控制系統采用現代電力電子、自動化、微電子及網絡通訊等技術,采用先進的瞬時無功功率理論和基于同步坐標變換的功率解耦算法,以設定的無功性質及大小、功率因數、電網電壓為控制目標運行,動態的跟蹤電網電能質量變化調節無功輸出,并能實現曲線設定運行,提升電網質量。是目前國內外較為先進的無功補償裝置,這種基于電壓型PWM變流器的補償裝置實現了無功補償方式質的飛躍。它不再采用大容量的電容、電感器件,而是通過電力電子器件的高頻開關實現無功能量的變換。
高壓動態無功補償控制系統易操作、高性能、高可靠性,為滿足用戶對提高輸配電電網的功率因數、治理諧波、補償負序電流的迫切需求做出相應設計,具有以下特點:
● 模塊化設計,安裝、調試、設定簡便。
● 動態響應速度快,響應時間≤5ms。
● 在補償容量足夠的前提下,輸出電流諧波(THD)≤3%。
● 多種運行模式極大的滿足用戶需求,運行模式有:恒裝置無功功率模式、恒考核點無功功率模式、恒考核點功率因數模式、恒考核點電壓模式、負載補償模式,目標值可實時更改。
● 實時跟蹤負荷變化,動態連續平滑補償無功功率,提高系統功率因數,實時治理諧波,補償負序電流,提高電網供電質量。
● 抑制電壓閃變,改善電壓質量,穩定系統電壓。
● 電路參數精心設計,發熱量小,效率高,運行成本低。
● 設備結構緊湊,占地面積小。
● 主電路采用IGBT組成的H橋功率單元鏈式串聯結構,每相由多個相同功率單元組成,整機輸出由PWM波形疊加而成的階梯波,逼近正弦,經輸出電抗濾波后正弦度良好。
● 自動調整載波頻率,自適應環境和功率變化。
● 小于0.2A的補償精度。
● 采用冗余性設計和模塊化設計,滿足系統高可靠性的需求。
● 功率電路模塊化設計,維護簡單,互換性好。
● 保護功能齊全,具有過壓、欠壓、過流、單元過熱、不均壓等保護,并能實現故障瞬間的波形錄制,便于確定故障點,易維護,運行可靠性高。
● 人機界面設計采用windows系統的操作模式,功能菜單以及各種功能按鍵均按照電腦的操作習慣設計。界面友好顯示,對外通訊提供了RS485等接口,采用標準Modbus通訊協議。除具有實時數字量及模擬量的顯示、運行歷史事件記錄、歷史曲線記錄查詢、單元狀態監控、系統信息查詢、歷史故障查詢等功能外,還具有送電后系統自檢、一鍵開停機、分時控制、示波器(AD通道強制錄波)、故障瞬間電壓/電流波形記錄等特色功能。
● 設計包含與FC配合使用的接口,實現定補和動補的有效結合,為用戶提供更經濟,更靈活的補償方案。具有4組FC接口控制功能,在控制上可以根據實際情況設置4組FC支路的投切順序,并實時監測FC的故障狀態,實現了SVG+FC系統的智能控制。
● 投切時無暫態沖擊,無合閘涌流,無電弧重燃,無需放電即可再投。
● 采用美國TI和ALTERA公司的優質DSP芯片和FPGA芯片,實現了3核控制技術,其中3片DSP芯片分別處理對外通訊,主控計算,功率單元控制,三片FPGA配合DSP實現大量的數據處理和數據交換,基于這種構架的產品,整機響應速度達到了容性功率到感性功率突變時間只需要3.7ms。
● 與系統連接時,不需要考慮交流系統相序,連接方便。
● 可并聯安裝,極易擴展容量。并機運行使用光纖通訊,通訊速度快,能夠完好的滿足實時補償的要求。整機擴容簡單易行,特別是改造現場和未生產現場,若SVG投運后發現功率不能滿足生產要求,可以隨意擴容,不需要將設備完全拆除,只需要更換功率單元即可實現增容,另外在一個現場若有多臺設備,可以十分方便的實現以太網組網,或通過高速光纖實現主從控制。
2.2 高壓動態無功補償控制系統技術指標
九游娱乐官方网站FGSVG-3.0/35T-O高壓動態無功補償控制系統技術指標如表1所示。
表1 高壓動態無功補償控制系統技術參數 | ||
序號 | 項目 | 技術指標 |
1 | 額定工作電壓 | 35kV |
2 | 額定容量 | -3.0~+3.0Mvar |
3 | 輸出無功范圍 | 感性到容性額定無功范圍內連續變化 |
4 | 響應時間 | ≤5ms |
5 | 過載能力 | 1.2倍過載1min |
6 | 輸出電壓總諧波畸變率(并網前) | ≤5% |
7 | 輸出電流總諧波畸變率THD | ≤3% |
8 | 系統電壓不平衡保護,整定范圍 | 4%~10% |
9 | 效率 | 額定運行工況≥99.2% |
10 | 運行溫度 | -20℃~+40℃ |
11 | 貯存溫度 | -40℃~+65℃ |
12 | 人機界面 | 采用中文彩色觸摸屏顯示 |
13 | 相對濕度 | 月平均值不大于90﹪(25℃),無凝露 |
14 | 海拔高度 | ﹤1000m(高于1000m需定制) |
15 | 地震烈度 | ≤8度 |
2.3系統結構
高壓動態無功補償控制系統產品的主電路采用鏈式拓撲結構,模塊化的結構設計,采用星型連接,星型接法的結構示意圖如圖3所示。

圖3 FGSVG電氣結構示意圖
控制柜與功率柜信號通過光纖進行隔離控制,實現了高低壓的可靠隔離。產品系統對結構上做出了極大的改進處理,使維護更方便。控制柜進行了嚴格的抗干擾處理,保障控制系統不受高壓主回路的影響。功率單元的改善使得功率柜占地面積更小,極大節省了用戶設備空間,減少了投資。
產品主要分為三部分:控制柜、功率柜、電抗器柜。其中功率柜實現了統一設計,方便產品的擴展及穩定性。各電壓等級的裝置由控制柜、功率柜及電抗器柜(或空心電抗)組成。各柜體中主要器件及作用如表2所示。
表2 主要器件及作用 | ||
系統結構 | 主要器件分類 | 作用 |
控制柜 | 開關器件 | 主回路的投切與斷開 |
緩沖器件 | 模塊充電時的母線緩沖 | |
數據采集器件 | 開關量、模擬量采集 | |
控制箱 | 數據處理 | |
邏輯控制器 | 邏輯控制 | |
人機界面 | 對參數進行設置與顯示以及波形記錄 | |
二次電源系統 | 對電源進行處理,實現控制系統的穩定 | |
功率柜 | 功率單元 | 根據信號級聯成特定幅值及相位的電壓 |
強制風冷系統 | 對模塊單元強制冷卻 | |
電抗器柜 | 電抗器 | 實現無功電壓源的并網并對電流濾波 |
2.4 工作原理
高壓動態無功補償控制系統能夠準確測量電力系統的電壓、電流等參數,迅速計算出電力系統的無功,進而計算出逆變輸出電壓移相角,并在特定時刻向SVG觸發裝置發控制信息。SVG同步裝置采集系統母線電壓信號,然后對此信號進行多階濾波處理,濾除電壓中的高次諧波和直流分量成分,然后對所剩基波進行方波變換,從而得到與母線電壓基波相位一致的方波信號(同步信號)。監控裝置負責監視SVG各功率單元的工作狀態,例如直流電容電壓、功率單元內空氣溫度等。觸發裝置負責接收調節裝置傳來的SVG工作移相角并將觸發信號編碼后下發給各功率單元。站控將SVG所有運行信息進行打包封裝和存儲,為操作人員提供一個直觀的界面。
產品采用了先進的數字化標準載波移相技術,總輸出波形正弦度好,dv/dt小,諧波成分含量小,可減少對電纜的絕緣損壞,在輸出側無需再增加輸出濾波器。
產品采用星型連接的單相波形如圖4所示。

圖4 單元輸出疊加后的波形圖
3綜合測試評價
3.1節能效益明顯
2017年12月初,高壓動態無功補償控制系統(3.0 Mvar /35 kV)一次性成功投運,至今運行正常。改造達到了預期目的。
對比SVG投運前后(SVG投運一個月和停運一個月效果對比)的繳費情況
(1)SVG投運前和退出后,每月基本上被肯尼亞電網功率因數考核大約17.5萬肯尼亞先令,折合人民幣大約1.2萬元。
(2)SVG投運后,無功率因數考核罰款。
通過對比,計算得知,SVG投運后產生巨大的經濟效益,每年大約節約功率因數考核罰款13萬左右。圖5為SVG退出運行時,月度功率因數(低于0.9)罰款,已用紅線標出。

圖5 SVG退出運行時,月度功率因數(低于0.9)罰款
圖6為SVG投運月度,電費單,無功率因數罰款。

圖6 SVG投運月度,電費單,無功率因數罰款
3.2 治理閃變情況
當機車快速通過時會由于負荷波動引起電壓波動,加之雨季時架空線路存在瞬時放電現象從而使電壓跌落現象更頻繁,幅度也更大。現場電壓高于額定90%即為正常值,當跌落至90%以下時,即影響變電所設備安全運行,此時現場故障錄波記錄下電壓跌落數據信息。
現場記錄的一次電壓跌落至80%,時長大約為100ms時,電壓電流的波形如圖7所示。

圖7 SVG未投運時,電壓閃變波形
SVG投入運行時,實時檢測網電電壓,當SVG檢測到電壓跌落時,會實際根據需要,在5ms內自動跟蹤投入適量容量容性無功,用于支撐電網電壓。同理當SVG檢測到電壓升高時,會實際根據需要,在5ms內自動跟蹤投入適量容量感性無功,用來穩定電網電壓。SVG支撐電壓時,無功階躍曲線圖如圖8所示。

圖8 SVG支撐電壓時,無功階躍曲線圖

圖9 SVG投運后,電壓閃變時,穩定電壓的效果圖
應用證明,SVG投運后,以其快速響應的投入方式補償電壓,電壓跌落情況大大減少,治理電壓閃變效果非常明顯。SVG的運行,有利于整個變電所設備的穩定運行,對提高變電所整個系統的穩定性和可靠性提供了關鍵的支撐作用。
4結束語
隨著“一帶一路”的推進,沿線很多現場都采用弱電網供電,用電成本特別高,所在國家電網考核嚴格,采用SVG補償方式成為提高電能質量的首選,九游娱乐官方网站高壓SVG其質量、性能、可靠性均能很好的滿足要求。對礦山高能耗用電設備、變電所等采用SVG補償,不僅能降低供電成本,而且提高了設備以及弱電網系統的可靠性。九游娱乐官方网站FGSVG高壓動態無功補償及諧波治理系統在野外礦山弱電網中有著廣闊的推廣潛力。